RTIE1-4M-DZ 4ピンステンレス鋼水中コネクタは、Teledyne Impulse互換、IP68等級で、ROV、水中ランプ、海洋ロボットに使用。600V/3A仕様と10000psiの耐圧性で海底信頼性を確保。





RTIE1-4M-DZ 4ピン水中コネクタは、Teledyne Impulseスタイルのコネクタと互換性のある高精度海底ソリューションです。ROV、水中照明システム、海洋ロボット向けに設計され、堅牢なステンレス鋼ボディを備え、600V動作とピンあたり3Aの電流容量をサポートします。最大10000psiの水圧耐性とIP68シーリングにより、極端な水中環境での安全な電力分配を保証します。バルクヘッドまたはインライン構成で使用でき、長期的な海底展開において耐腐食性と電気的完全性を提供します。
ブランド: HYSF
モデル番号: RTIE1-4M-DZ
タイプ: Teledyne Impulse互換円形コネクタ
用途: ROV、水中照明、海洋ロボティクス、海底電力システム
ピンの数: 4P
定格電流: ピンあたり3A
定格電圧: 600V
接続タイプ: バルクヘッドおよびインライン
性別: オスおよびメス
シェル素材: ステンレス鋼
シーリングタイプ: IP68防水
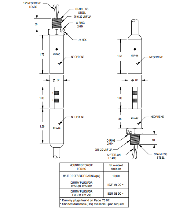
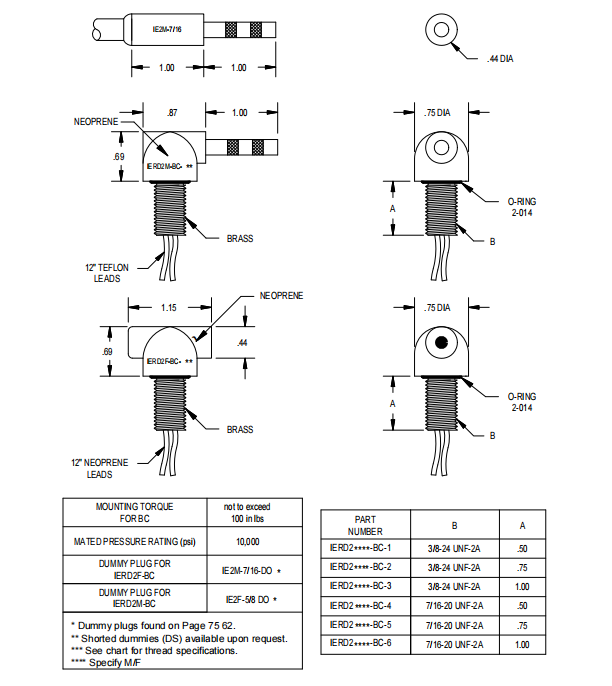
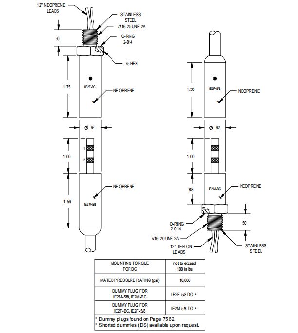
耐水圧: 10000psi
原産地: 中国、山東省
認証: TUV、CE、CCC
私たちはあなたのニーズに応えるためにここにいます。どのようにお手伝いできるか話し合いましょう。
© 2025 HYSF Underwater Connectors | すべての権利を保有。